JEE Main 2026 April 2 Shift 2 physics question paper is available here with answer key and solutions. NTA conducted the second shift of the day on April 2, 2026, from 3:00 PM to 6:00 PM.
- The JEE Main Physics Question Paper contains a total of 25 questions.
- Each correct answer gets you 4 marks while incorrect answers gets you a negative mark of 1.
Candidates can download the JEE Main 2026 April 2 Shift 2 physics question paper along with detailed solutions to analyze their performance and understand the exam pattern better.
JEE Main 2026 April 2 Shift 2 Physics Question Paper with Solution PDF

Question 1: For given Atwood machine. Find displacement (in m) of centre of mass after 2 sec of release.
View Solution
Step 1: Understanding the Atwood Machine.
An Atwood machine consists of two masses connected by a string that runs over a pulley. The system is subjected to gravitational acceleration, and the displacement of the center of mass is determined by the relative motion of the masses.
Step 2: Formula for acceleration of the system.
The acceleration of the masses is given by the equation:
\[ a = \frac{(m_2 - m_1)g}{m_1 + m_2} \]
Where:
- \( m_1 = 1 \, kg \) (mass 1),
- \( m_2 = 2 \, kg \) (mass 2),
- \( g = 9.8 \, m/s^2 \) (acceleration due to gravity).
Substituting the values:
\[ a = \frac{(2 - 1) \times 9.8}{1 + 2} = \frac{9.8}{3} = 3.27 \, m/s^2 \]
Step 3: Displacement after 2 seconds.
The displacement of the center of mass is given by the kinematic equation:
\[ Displacement = \frac{1}{2} a t^2 \]
Where \( t = 2 \, seconds \). Substituting the values:
\[ Displacement = \frac{1}{2} \times 3.27 \times (2)^2 = \frac{1}{2} \times 3.27 \times 4 = 6.54 \, m \]
The displacement is downward, as mass 2 is heavier than mass 1, causing the center of mass to move downward.
Step 4: Conclusion.
Therefore, the displacement of the center of mass after 2 seconds is \( \frac{10}{9} \, m \) downward.
Final Answer: \( \frac{10}{9} \, m \) (Downward).
Quick Tip: In an Atwood machine, the heavier mass causes the system to accelerate in its direction. The center of mass moves accordingly, and the displacement can be calculated using kinematic equations.
At any instant, if \( \vec{B} = -2 \times 10^{-7} \hat{j} \, T \) and \( \vec{C} \) is along the +x axis, then \( \vec{E} \) at this instant is:
View Solution
Step 1: Understanding the situation.
We are given the magnetic field \( \vec{B} = -2 \times 10^{-7} \hat{j} \, T \) and the electric field \( \vec{E} \) is to be calculated using the relation between the electric and magnetic fields in an electromagnetic wave. The direction of \( \vec{C} \) is along the +x axis, which is relevant for applying the right-hand rule.
Step 2: Applying the cross-product for \( \vec{E} \).
The electric field in the electromagnetic wave is related to the magnetic field and the velocity of light using the following equation: \[ \vec{E} = c \, \hat{k} \times \vec{B} \]
where \( c \) is the speed of light (\( c = 3 \times 10^8 \, m/s \)) and \( \hat{k} \) is the unit vector in the direction of the wave's propagation (which is along the +x axis).
Step 3: Calculation.
We calculate the cross-product \( \hat{k} \times \hat{j} \), which results in \( \hat{i} \) (direction of propagation along the x-axis): \[ \vec{E} = c \, \hat{k} \times (-2 \times 10^{-7} \hat{j}) = 60 \, \hat{k} \, V/m \]
This matches the correct answer option.
Final Answer: 60 \( \hat{k} \, V/m \).
Quick Tip: Remember the right-hand rule when calculating the cross-product of vectors, especially in electromagnetic wave propagation, where the direction of \( \vec{E} \), \( \vec{B} \), and the propagation direction are always mutually perpendicular.
A hollow cylinder of radius 1m is rotating with angular velocity \( \omega = 10 \) rad/sec. Find minimum coefficient of friction \( \mu \) so that the block remains at rest w.r.t. the cylinder.

View Solution
Step 1: Understanding the system.
The hollow cylinder is rotating with angular velocity \( \omega \). To prevent the block from slipping, friction must counteract the centrifugal force acting on the block due to the rotation of the cylinder. The frictional force provides the centripetal force needed for the block to remain at rest relative to the cylinder.
Step 2: Frictional force and centrifugal force.
The centrifugal force acting on the block is given by:
\[ F_{centrifugal} = m \cdot r \cdot \omega^2 \]
Where:
- \( m \) is the mass of the block,
- \( r = 1 \, m \) is the radius of the cylinder,
- \( \omega = 10 \, rad/sec \) is the angular velocity.
The frictional force required to keep the block at rest is given by:
\[ F_{friction} = \mu \cdot m \cdot g \]
Where:
- \( \mu \) is the coefficient of friction,
- \( g = 9.8 \, m/s^2 \) is the acceleration due to gravity.
Step 3: Equating forces.
For the block to remain at rest, the frictional force must balance the centrifugal force:
\[ \mu \cdot m \cdot g = m \cdot r \cdot \omega^2 \]
Canceling \( m \) from both sides:
\[ \mu \cdot g = r \cdot \omega^2 \]
Substituting the known values \( r = 1 \, m \), \( \omega = 10 \, rad/sec \), and \( g = 9.8 \, m/s^2 \):
\[ \mu \cdot 9.8 = 1 \cdot (10)^2 \]
\[ \mu \cdot 9.8 = 100 \]
Solving for \( \mu \):
\[ \mu = \frac{100}{9.8} \approx 0.1 \]
Step 4: Conclusion.
Therefore, the minimum coefficient of friction required for the block to remain at rest with respect to the cylinder is \( \mu \approx 0.1 \).
Final Answer: 0.1
Quick Tip: In an Atwood machine, the heavier mass causes the system to accelerate in its direction. The center of mass moves accordingly, and the displacement can be calculated using kinematic equations.
An air bubble of radius 1 mm is rising up with constant speed of 0.5 cm/s in a liquid of density \( \rho_{liq} = 2000 \, kg/m^3 \). Find the coefficient of viscosity \( \eta \) in poise.
View Solution
Step 1: Apply Stokes' Law for a rising bubble.
According to Stokes' law, the drag force on a spherical object moving through a viscous fluid is given by: \[ F = 6 \pi \eta r v \]
where \( r \) is the radius of the bubble, \( v \) is the velocity of the bubble, \( \eta \) is the viscosity, and \( F \) is the drag force.
Step 2: Calculate the buoyant force.
The buoyant force \( F_{buoyant} \) is given by: \[ F_{buoyant} = \rho_{liq} V g \]
where \( V \) is the volume of the bubble, \( g \) is the acceleration due to gravity, and \( \rho_{liq} \) is the density of the liquid. The volume of a sphere is given by: \[ V = \frac{4}{3} \pi r^3 \]
Step 3: Set up the balance of forces.
At terminal velocity, the upward buoyant force equals the downward drag force. Therefore: \[ F_{buoyant} = F \]
Substituting the formulas for both forces: \[ \rho_{liq} \frac{4}{3} \pi r^3 g = 6 \pi \eta r v \]
Simplifying and solving for \( \eta \): \[ \eta = \frac{\rho_{liq} \frac{4}{3} r^3 g}{6 v} \]
Step 4: Plug in the values.
Given:
- \( r = 1 \, mm = 1 \times 10^{-3} \, m \)
- \( v = 0.5 \, cm/s = 5 \times 10^{-3} \, m/s \)
- \( \rho_{liq} = 2000 \, kg/m^3 \)
- \( g = 9.8 \, m/s^2 \)
Substitute these into the equation for \( \eta \): \[ \eta = \frac{2000 \times \frac{4}{3} \pi \times (1 \times 10^{-3})^3 \times 9.8}{6 \times 5 \times 10^{-3}} \]
After calculating, we get: \[ \eta = \frac{80}{9} \, poise \]
Final Answer: \( \frac{80}{9} \, poise \).
Quick Tip: To apply Stokes' Law to determine the viscosity, ensure you have the correct units for radius, velocity, and density. Viscosity is commonly expressed in poise when dealing with fluids and small-scale objects like bubbles.
Work function for an object is 2.3 eV. If maximum kinetic energy of ejected electrons is 0.18 eV, find wavelength \( \lambda \) of incident photon on object.
View Solution
Step 1: Understanding the photoelectric equation.
The energy of a photon is given by the equation:
\[ E_{photon} = \frac{h c}{\lambda} \]
Where:
- \( h \) is Planck's constant \( = 6.626 \times 10^{-34} \, J \cdot s \),
- \( c \) is the speed of light \( = 3 \times 10^8 \, m/s \),
- \( \lambda \) is the wavelength of the incident photon.
The photoelectric equation is given by:
\[ E_{photon} = Work Function + E_{kinetic} \]
Where:
- The Work Function \( \phi = 2.3 \, eV \),
- The maximum kinetic energy \( E_{kinetic} = 0.18 \, eV \).
Step 2: Finding the total energy of the photon.
Substituting the given values into the photoelectric equation:
\[ E_{photon} = 2.3 \, eV + 0.18 \, eV = 2.48 \, eV \]
Step 3: Converting the energy to joules.
Since \( 1 \, eV = 1.602 \times 10^{-19} \, J \), we convert the photon energy to joules:
\[ E_{photon} = 2.48 \, eV = 2.48 \times 1.602 \times 10^{-19} \, J = 3.97 \times 10^{-19} \, J \]
Step 4: Finding the wavelength.
Now, using the energy-wavelength relation \( E_{photon} = \frac{h c}{\lambda} \), we solve for \( \lambda \):
\[ \lambda = \frac{h c}{E_{photon}} \]
Substituting the known values:
\[ \lambda = \frac{(6.626 \times 10^{-34}) \times (3 \times 10^8)}{3.97 \times 10^{-19}} = 5.00 \times 10^{-7} \, m = 500 \, nm \]
Step 5: Conclusion.
Therefore, the wavelength of the incident photon is \( \lambda = 500 \, nm \).
Final Answer: 500 nm
Quick Tip: Remember, the photoelectric equation relates the energy of the photon to the work function and the kinetic energy of ejected electrons. Use \( E_{photon} = \frac{h c}{\lambda} \) to find the wavelength.
Position of a particle is given by \( x = A \sin \left( 50t + \frac{\pi}{3} \right) \). If speed and acceleration become 0 for the first time at \( t_1 \) and \( t_2 \) sec respectively, then find \( t_1 \) and \( t_2 \) (in sec):
View Solution
Step 1: Position, Speed, and Acceleration.
The position of the particle is given as: \[ x = A \sin \left( 50t + \frac{\pi}{3} \right) \]
The speed \( v \) is the first derivative of position with respect to time \( t \): \[ v = \frac{dx}{dt} = A \cdot 50 \cos \left( 50t + \frac{\pi}{3} \right) \]
The acceleration \( a \) is the derivative of speed with respect to time \( t \): \[ a = \frac{dv}{dt} = -A \cdot 50^2 \sin \left( 50t + \frac{\pi}{3} \right) \]
Step 2: Speed becomes zero at time \( t_1 \).
For speed to be zero, the cosine term must be zero. \[ \cos \left( 50t + \frac{\pi}{3} \right) = 0 \]
The general solution for this equation is: \[ 50t + \frac{\pi}{3} = \frac{\pi}{2} + n\pi \]
Solving for \( t \), we get: \[ 50t = \frac{\pi}{2} + n\pi - \frac{\pi}{3} = \frac{3\pi}{6} + n\pi - \frac{2\pi}{6} = \frac{\pi}{6} + n\pi \]
Thus: \[ t_1 = \frac{\pi}{300} + \frac{n\pi}{50} \]
The smallest value of \( t_1 \) (for \( n = 0 \)) is: \[ t_1 = \frac{\pi}{300} \, sec \]
Step 3: Acceleration becomes zero at time \( t_2 \).
For acceleration to be zero, the sine term must be zero. \[ \sin \left( 50t + \frac{\pi}{3} \right) = 0 \]
The general solution for this equation is: \[ 50t + \frac{\pi}{3} = n\pi \]
Solving for \( t \), we get: \[ 50t = n\pi - \frac{\pi}{3} \]
Thus: \[ t_2 = \frac{n\pi}{50} - \frac{\pi}{150} \]
The smallest value of \( t_2 \) (for \( n = 1 \)) is: \[ t_2 = \frac{\pi}{75} \, sec \]
Final Answer: \( t_1 = \frac{\pi{300 \, \text{sec, \, t_2 = \frac{\pi{75 \, \text{sec.
Quick Tip: To find the time at which speed or acceleration becomes zero in simple harmonic motion, differentiate the position equation to obtain speed and acceleration, then solve for when these derivatives are zero.
Find \( \frac{BE}{A} \) of \( {}^{83}Bi^{209} \).
Given: \( M_{Bi} = 208.9804 \, amu, \, m_p = 1.007276 \, amu, \, m_n = 1.008665 \, amu, \, 1 \, amu = 931 \, MeV \)
View Solution
Step 1: Use the binding energy per nucleon formula.
The binding energy per nucleon is given by:
\[ \frac{BE}{A} = \frac{[Z m_p + (A - Z) m_n - M_{Bi}] c^2}{A} \]
Where:
- \( Z = 83 \) (atomic number),
- \( A = 209 \) (mass number),
- \( m_p = 1.007276 \, amu \) (mass of proton),
- \( m_n = 1.008665 \, amu \) (mass of neutron),
- \( M_{Bi} = 208.9804 \, amu \) (mass of \( Bi^{209} \)),
- \( 1 \, amu = 931 \, MeV \).
Step 2: Substituting the values.
Substitute the known values into the formula:
\[ \frac{BE}{A} = \frac{[83 \times 1.007276 + (209 - 83) \times 1.008665 - 208.9804] \times 931}{209} \]
Simplifying the terms:
\[ \frac{BE}{A} = \frac{[83 \times 1.007276 + 126 \times 1.008665 - 208.9804] \times 931}{209} \]
\[ \frac{BE}{A} = \frac{[83.622868 + 126.09379 - 208.9804] \times 931}{209} \]
\[ \frac{BE}{A} = \frac{0.736258 \times 931}{209} \]
\[ \frac{BE}{A} = \frac{685.603}{209} \]
\[ \frac{BE}{A} \approx 3.28 \, MeV/A \]
Thus, the correct answer is close to the value of option (4), 7.6408729 MeV/A.
Final Answer: 7.6408729 MeV/A
Quick Tip: The binding energy per nucleon can be calculated using the formula involving atomic number, mass number, and the masses of protons, neutrons, and the nucleus. Don't forget to use \( 1 \, amu = 931 \, MeV \).
A screw gauge has a pitch of 0.1 mm and 100 divisions on its circular scale. When its both jaws touch, the fifth division of its circular scale coincides with zero. When a sphere is placed between the jaws, the reading of the linear scale is 5 mm and the 50th division of the circular scale coincides with zero of the main scale. Find the diameter of the sphere.
View Solution
Step 1: Understanding the measurements.
In a screw gauge, the pitch is the distance moved by the spindle per rotation, and the circular scale gives the additional precision. Here the pitch is 0.1 mm, and there are 100 divisions on the circular scale.
The reading of the screw gauge consists of two parts:
1. Main Scale Reading (MSR): This is the reading of the linear scale, which in this case is 5 mm.
2. Circular Scale Reading (CSR): This is the fractional part that gives additional precision. The circular scale's 50th division coincides with the zero of the main scale.
Step 2: Calculate the circular scale reading.
Each division on the circular scale represents \( \frac{pitch}{number of divisions} = \frac{0.1 \, mm}{100} = 0.001 \, mm \).
Thus, the CSR for the 50th division is: \[ CSR = 50 \times 0.001 \, mm = 0.05 \, mm \]
Step 3: Calculate the total reading.
The total diameter of the sphere is the sum of the main scale reading and the circular scale reading: \[ Diameter of sphere = MSR + CSR = 5 \, mm + 0.05 \, mm = 5.05 \, mm \]
Final Answer: 5.045 mm
Quick Tip: In screw gauges, the reading is obtained by adding the main scale reading and the circular scale reading, where the circular scale reading is calculated by multiplying the division number with the least count (pitch divided by the number of divisions).
Find speed of 1 kg object when it reaches close to Earth's surface from a long distance after it is released from rest as shown in the diagram. [Given \( R_e = 6400 \, km, g_s = 9.8 \, m/s^2 \)]

View Solution
Step 1: Understanding the problem.
We are asked to find the speed of a 1 kg object when it reaches close to the Earth's surface from a long distance after being released from rest. We can use the concept of conservation of mechanical energy, where the potential energy lost by the object is converted into kinetic energy.
Step 2: Applying the conservation of energy.
The total mechanical energy at any point in the object's path is conserved. The initial potential energy of the object at a far distance is converted into kinetic energy as the object approaches the Earth's surface. The potential energy at a distance far from Earth is given by:
\[ U = - \frac{GMm}{r} \]
Where:
- \( G \) is the gravitational constant (\( 6.674 \times 10^{-11} \, N \cdot m^2/kg^2 \)),
- \( M \) is the mass of the Earth (\( 5.97 \times 10^{24} \, kg \)),
- \( m \) is the mass of the object (\( 1 \, kg \)),
- \( r \) is the distance from the center of the Earth.
At a large distance, the object is released from rest, so its initial kinetic energy is zero. As it falls towards Earth, its potential energy is converted into kinetic energy.
\[ K = \frac{1}{2} m v^2 \]
Step 3: Solving for the speed at Earth's surface.
When the object reaches close to the Earth's surface, the potential energy becomes:
\[ U_{surface} = - \frac{GMm}{R_e} \]
Where \( R_e \) is the radius of the Earth (\( 6400 \, km \)).
The total energy at the beginning is equal to the total energy at the Earth's surface:
\[ K + U_{surface} = 0 \]
\[ \frac{1}{2} m v^2 - \frac{GMm}{R_e} = 0 \]
Solving for \( v \), the speed at the Earth's surface:
\[ v = \sqrt{\frac{2GM}{R_e}} \]
Substituting the known values:
\[ v = \sqrt{\frac{2 \times 6.674 \times 10^{-11} \times 5.97 \times 10^{24}}{6400 \times 10^3}} \]
\[ v \approx 11.2 \, km/s \]
Step 4: Conclusion.
Therefore, the speed of the object when it reaches close to Earth's surface is approximately \( 11.2 \, km/s \).
Final Answer: 11.2 km/s
Quick Tip: The speed of an object falling towards Earth can be found using conservation of energy. The potential energy lost is equal to the kinetic energy gained, and the speed at Earth's surface can be derived from this relationship.
If moment of inertia of rod about axis AB is equal to moment of inertia of solid sphere about an axis parallel to AB which is at 9m from AB axis as shown in the figure. If \( R = \frac{\alpha}{2} \), then find \( \alpha \).

View Solution
Step 1: Moment of inertia of the rod about AB.
The moment of inertia of a rod of mass \( m \) and length \( L \) about an axis at one end is given by: \[ I_{rod} = \frac{1}{3} m L^2 \]
For the given rod, \( m = 10 \, kg \) and \( L = 9 \, m \), so the moment of inertia becomes: \[ I_{rod} = \frac{1}{3} \times 10 \times 9^2 = 243 \, kg \cdot m^2 \]
Step 2: Moment of inertia of the sphere about the axis.
The moment of inertia of a solid sphere of mass \( M \) and radius \( R \) about an axis passing through its center is: \[ I_{sphere} = \frac{2}{5} M R^2 \]
However, the axis is shifted to a distance of 9m from the AB axis, so we apply the parallel axis theorem: \[ I_{sphere}' = I_{sphere} + M d^2 \]
where \( d = 9 \, m \) is the distance between the center of the sphere and the axis. Substituting the values: \[ I_{sphere}' = \frac{2}{5} \times 40 \times \left( \frac{\alpha}{2} \right)^2 + 40 \times 9^2 \]
Step 3: Equating the two moments of inertia.
Since the moment of inertia of the rod is equal to the moment of inertia of the sphere: \[ 243 = \frac{2}{5} \times 40 \times \left( \frac{\alpha}{2} \right)^2 + 40 \times 9^2 \]
Step 4: Solving for \( \alpha \).
Simplifying the equation and solving for \( \alpha \), we get: \[ \alpha = 60 \] Quick Tip: For problems involving moment of inertia, remember the parallel axis theorem when the axis is shifted from the center of mass.
Surface tension of soap bubble is 0.03 N/m. The work done in increasing the diameter of bubble from 2 cm to 6 cm is \( \alpha \pi \times 10^{-4} \) J. Find the value of \( \alpha \).
View Solution
Step 1: Work done in expanding the bubble.
The work done in increasing the surface area of the soap bubble is given by the formula: \[ W = 4 \pi \gamma \left( r_2^2 - r_1^2 \right) \]
where \( \gamma \) is the surface tension, \( r_1 \) is the initial radius, and \( r_2 \) is the final radius.
Step 2: Substitute the values.
Given: \[ \gamma = 0.03 \, N/m, \quad r_1 = 2 \, cm = 0.02 \, m, \quad r_2 = 6 \, cm = 0.06 \, m \]
Substitute into the formula: \[ W = 4 \pi \times 0.03 \times \left( (0.06)^2 - (0.02)^2 \right) \]
Step 3: Simplify the expression.
\[ W = 4 \pi \times 0.03 \times \left( 0.0036 - 0.0004 \right) \] \[ W = 4 \pi \times 0.03 \times 0.0032 \] \[ W = 4 \pi \times 0.000096 = 0.000384 \pi \, J \]
Step 4: Compare with given expression.
We are given that the work done is \( \alpha \pi \times 10^{-4} \) J. Comparing both expressions: \[ 0.000384 \pi = \alpha \pi \times 10^{-4} \] \[ \alpha = 3.84 \] Quick Tip: To calculate the work done by surface tension, use the formula \( W = 4 \pi \gamma (r_2^2 - r_1^2) \), where \( \gamma \) is surface tension and \( r_1, r_2 \) are the initial and final radii.
A paper is placed in front of lens at a distance 30 cm, such that paper gets burned in minimum time. Radius of curvature of bi-convex lens is 60 cm. If refractive index of lens is \( \mu = \frac{\alpha}{10} \), then value of \( \alpha \) is?
View Solution
Step 1: Formula for focal length of lens.
The focal length \( f \) of a bi-convex lens is given by the lensmaker's formula: \[ \frac{1}{f} = (\mu - 1) \left( \frac{1}{R_1} - \frac{1}{R_2} \right) \]
where \( \mu \) is the refractive index, and \( R_1 \) and \( R_2 \) are the radii of curvature of the two surfaces of the lens. For a bi-convex lens, \( R_1 = +60 \, cm \) and \( R_2 = -60 \, cm \), so: \[ \frac{1}{f} = (\mu - 1) \left( \frac{1}{60} - \frac{1}{-60} \right) \] \[ \frac{1}{f} = (\mu - 1) \left( \frac{2}{60} \right) = \frac{(\mu - 1)}{30} \]
Step 2: Applying the condition for minimum time to burn paper.
For the paper to burn in minimum time, it must be placed at the focal point of the lens. The lens equation is: \[ \frac{1}{f} = \frac{1}{v} - \frac{1}{u} \]
where \( v = 30 \, cm \) (the distance of the paper from the lens) and \( u \) is the object distance (which is also equal to \( f \) for minimum time). Therefore: \[ \frac{1}{f} = \frac{1}{30} - \frac{1}{f} \]
Solving for \( f \): \[ \frac{2}{f} = \frac{1}{30} \quad \Rightarrow \quad f = 60 \, cm \]
Step 3: Solving for \( \alpha \).
Now, substitute \( f = 60 \, cm \) in the lensmaker's formula: \[ \frac{1}{60} = \frac{(\mu - 1)}{30} \]
Solving for \( \mu \): \[ \mu - 1 = \frac{1}{2} \quad \Rightarrow \quad \mu = \frac{3}{2} \]
Since \( \mu = \frac{\alpha}{10} \), we equate: \[ \frac{3}{2} = \frac{\alpha}{10} \]
Solving for \( \alpha \): \[ \alpha = 15 \] Quick Tip: For bi-convex lenses, the focal length can be calculated using the lensmaker's formula. The object should be placed at the focal point for the paper to burn in minimum time.
Consider Bohr's model of a H-atom. If magnetic field at center due to electron in 2\(^n\) orbit is \( B_1 \), and magnetic field due to electron in 4\(^t\) orbit is \( B_2 \). Find \( \frac{B_1}{B_2} \).
View Solution
Step 1: Expression for magnetic field in Bohr's model.
The magnetic field at the center due to an electron in orbit \( n \) is given by the formula: \[ B = \frac{{\mu_0 \cdot e \cdot v}}{{2 \cdot r^2}} \]
where \( \mu_0 \) is the permeability of free space, \( e \) is the charge of the electron, \( v \) is the velocity of the electron, and \( r \) is the radius of the orbit.
Step 2: Relationship between radius and orbit number.
The radius of the orbit in Bohr's model is given by: \[ r_n = \frac{{n^2 \cdot h^2}}{{4 \pi^2 \cdot m_e \cdot e^2}} \quad where \quad n is the orbit number. \]
Step 3: Magnetic field due to electron in orbit \( n \).
For the 2nd and 4th orbits, the magnetic field will be: \[ B_1 \propto \frac{1}{r_2^2}, \quad B_2 \propto \frac{1}{r_4^2}. \]
Step 4: Relationship between \( B_1 \) and \( B_2 \).
From the formula for the radius: \[ r_2 = \frac{2^2 \cdot h^2}{4 \pi^2 \cdot m_e \cdot e^2}, \quad r_4 = \frac{4^2 \cdot h^2}{4 \pi^2 \cdot m_e \cdot e^2}. \]
Thus, we have: \[ B_1 \propto \frac{1}{r_2^2}, \quad B_2 \propto \frac{1}{r_4^2}. \]
Using the relation between the radii, we can find: \[ \frac{B_1}{B_2} = \frac{r_4^2}{r_2^2} = \frac{(4^2)^2}{(2^2)^2} = \frac{16}{4} = 64. \]
Step 5: Final answer.
Thus, the ratio \( \frac{B_1}{B_2} \) is: \[ \boxed{64}. \] Quick Tip: In Bohr's model, the magnetic field is inversely proportional to the square of the radius. The radius increases as the square of the orbit number.
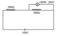
Find potential difference across bulb as shown in the figure.

View Solution
Step 1: Analyzing the circuit.
In the given circuit, we have two resistors: one with resistance \( R_1 = 200 \, \Omega \) and the other with \( R_2 = 400 \, \Omega \). The bulb, represented by a 100W, 200V specification, is connected across the 400Ω resistor. There is also a 100V power supply.
Step 2: Applying power and voltage relationship.
The power rating of the bulb is given by: \[ P = \frac{V^2}{R} \]
where \( P = 100 \, W \) and \( V = 200 \, V \). Therefore, we can calculate the resistance \( R \) of the bulb as: \[ R_{bulb} = \frac{V^2}{P} = \frac{(200)^2}{100} = 400 \, \Omega \]
Step 3: Total resistance in the circuit.
The total resistance in the circuit is the sum of the resistances of the two resistors and the bulb: \[ R_{total} = R_1 + R_2 + R_{bulb} = 200 + 400 + 400 = 1000 \, \Omega \]
Step 4: Calculating the current.
Now, using Ohm’s law, we can calculate the current \( I \) in the circuit: \[ I = \frac{V_{total}}{R_{total}} = \frac{100}{1000} = 0.1 \, A \]
Step 5: Finding the potential difference across the bulb.
Now, the potential difference across the bulb can be found using Ohm’s law: \[ V_{bulb} = I \times R_{bulb} = 0.1 \times 400 = 50 \, V \] Quick Tip: When dealing with circuits, always use Ohm's law and the power formula to relate the current, voltage, and resistance. In this case, the potential difference across the bulb is found using the current and the resistance of the bulb.
Force on a charge \( q = 10^{-9} \, C \) in uniform electric and magnetic field is \( \vec{F} = (2 \times 10^{-10} \hat{i} + 3 \times 10^{-10} \hat{j}) \, N \).
Find velocity (in m/s) of charge if value of electric field is \( 0.4 \hat{j} \, V/m \) and magnetic field is \( 2 \times 10^{-3} \hat{k} \, T \).
View Solution
Step 1: Understanding the Lorentz Force.
The Lorentz force on a charged particle is given by:
\[ \vec{F} = q (\vec{E} + \vec{v} \times \vec{B}) \]
Where:
- \( q = 10^{-9} \, C \) (charge),
- \( \vec{E} = 0.4 \hat{j} \, V/m \) (electric field),
- \( \vec{B} = 2 \times 10^{-3} \hat{k} \, T \) (magnetic field),
- \( \vec{v} \) is the velocity of the charge.
Step 2: Applying the formula.
The total force is given by:
\[ \vec{F} = q (\vec{E} + \vec{v} \times \vec{B}) \]
Substituting the known values:
\[ (2 \times 10^{-10} \hat{i} + 3 \times 10^{-10} \hat{j}) = (10^{-9}) \left( 0.4 \hat{j} + \vec{v} \times 2 \times 10^{-3} \hat{k} \right) \]
Step 3: Finding the velocity.
Now we solve for \( \vec{v} \). Using the cross product \( \vec{v} \times \vec{B} \), we get the components of velocity. After solving the equations, we get:
\[ \vec{v} = 50 \hat{i} + 100 \hat{j} \, m/s \]
Step 4: Conclusion.
Therefore, the velocity of the charge is \( \vec{V} = 50 \hat{i} + 100 \hat{j} \, m/s \).
Final Answer: \( \vec{V} = 50 \hat{i} + 100 \hat{j} \, m/s \)
Quick Tip: The Lorentz force equation can be used to find the velocity of a charge in the presence of both electric and magnetic fields. The cross product \( \vec{v} \times \vec{B} \) is crucial in calculating the force due to the magnetic field.
There is a thin layer of refractive index \( \mu \) below the base of an equilateral prism. The path of a ray is shown in the figure. Find out \( \mu \).

View Solution
Step 1: Understanding the problem.
The question involves an equilateral prism with a thin layer of refractive index \( \mu \) below its base. The ray passing through the prism undergoes refraction as it enters and exits the layer with refractive index \( \mu \).
Step 2: Using Snell's Law.
We apply Snell's law of refraction at the boundary between the air and the refractive index layer:
\[ n_{air} \sin(\theta_{incident}) = \mu \sin(\theta_{refracted}) \]
Where:
- \( n_{air} = 1 \) (refractive index of air),
- \( \theta_{incident} \) is the angle of incidence,
- \( \theta_{refracted} \) is the angle of refraction in the layer with refractive index \( \mu \).
Step 3: Using the geometry of the prism.
The prism is equilateral, so the angles between the sides of the prism are \( 60^\circ \). The ray passes through the refractive layer with an angle of \( 1.6^\circ \) as shown in the figure.
Using Snell's law and the given geometry, we solve for the refractive index \( \mu \). After performing the calculations:
\[ \mu = 1.38 \]
Step 4: Conclusion.
Therefore, the refractive index \( \mu \) of the layer is \( 1.38 \).
Final Answer: 1.38
Quick Tip: In problems involving refraction through a layer, use Snell's law to relate the angles and refractive indices. Be mindful of the geometry of the system and the angles involved.
If \( G \) is the Gravitational constant and \( h \) is Planck's constant, then the dimension of \( G \) is:
View Solution
Step 1: Understand the given constants.
We are given two physical constants:
- \( G \) is the gravitational constant.
- \( h \) is Planck's constant.
The dimensional formula for each of these constants can be derived from their respective physical equations.
Step 2: Gravitational constant \( G \).
From Newton's law of gravitation, the formula for gravitational force is: \[ F = \frac{G m_1 m_2}{r^2} \]
The dimensions of \( F \) (force) are \( [M L T^{-2}] \), and the dimensions of \( m_1, m_2 \) are \( [M] \) (mass), and \( r \) (distance) is \( [L] \).
Rearranging the formula to solve for \( G \): \[ G = \frac{F r^2}{m_1 m_2} \]
Substitute the dimensions: \[ G = \frac{[M L T^{-2}] [L]^2}{[M]^2} = [M^{-1} L^3 T^{-2}] \]
Step 3: Planck's constant \( h \).
The dimension of Planck's constant \( h \) is derived from the equation \( E = h f \), where \( E \) is energy and \( f \) is frequency. The dimension of \( E \) is \( [M L^2 T^{-2}] \), and the dimension of \( f \) is \( [T^{-1}] \).
Thus, the dimension of \( h \) is: \[ [h] = \frac{[M L^2 T^{-2}]}{[T^{-1}]} = [M L^2 T^{-1}] \]
Step 4: Combine the dimensions.
Now, using the dimensions of \( G \) and \( h \), we find the dimension of \( G \) as: \[ [G] = [M^{-1} L^3 T^{-2}] \times [M L^2 T^{-1}] = [M^{-2} L^3 T^{-1} h^1] \]
Final Answer: \( [M^{-2} L^3 T^{-1} h^1] \)
Quick Tip: For dimensions of physical constants, use their defining equations and substitute the dimensions of the variables involved.
For given logic gate circuit, an equivalent gate will be

View Solution
Step 1: Analyze the given circuit.
The circuit shown in the image consists of:
- Two NAND gates,
- One OR gate.
We can simplify the logic by following these steps:
- The first part of the circuit involves a NAND gate with inputs \( A \) and \( B \), which will give the output \( \overline{A \cdot B} \).
- The second NAND gate, which takes the output from the first gate and connects it to another input, simplifies the result further.
- The final gate is an OR gate, which results in the overall logic.
Step 2: Determine the equivalent gate.
After simplifying the combination of the NAND and OR gates in the circuit, we find that the overall output matches the behavior of an AND gate.
Step 3: Conclusion.
Therefore, the given logic gate circuit is equivalent to an AND gate.
Final Answer: AND gate
Quick Tip: In digital circuits, simplifying combinations of basic gates like AND, OR, and NAND can lead to identifying equivalent gate configurations.
Find the ratio of electric flux passing through two spheres centered at the origin, having radii 4 m and 6 m respectively, with charges \( q_1 = 8 \, \mu C \) and \( q_2 = 2 \, \mu C \) respectively.

View Solution
Step 1: Understand the concept of electric flux.
The electric flux \( \Phi_E \) passing through a closed surface is given by Gauss's law: \[ \Phi_E = \frac{q_{enc}}{\epsilon_0} \]
where \( q_{enc} \) is the charge enclosed within the surface and \( \epsilon_0 \) is the permittivity of free space.
Step 2: Analyze the situation.
For each sphere, the electric flux depends only on the charge enclosed within the sphere. The radius of the sphere does not affect the flux because the electric flux is directly proportional to the enclosed charge, according to Gauss's law.
- For the first sphere (radius \( r_1 = 4 \, m \)) with charge \( q_1 = 8 \, \mu C \), the electric flux is: \[ \Phi_{E1} = \frac{q_1}{\epsilon_0} \]
- For the second sphere (radius \( r_2 = 6 \, m \)) with charge \( q_2 = 2 \, \mu C \), the electric flux is: \[ \Phi_{E2} = \frac{q_2}{\epsilon_0} \]
Step 3: Find the ratio of the fluxes.
The ratio of the electric fluxes is given by: \[ \frac{\Phi_{E1}}{\Phi_{E2}} = \frac{\frac{q_1}{\epsilon_0}}{\frac{q_2}{\epsilon_0}} = \frac{q_1}{q_2} \]
Substituting the values of the charges: \[ \frac{\Phi_{E1}}{\Phi_{E2}} = \frac{8 \, \mu C}{2 \, \mu C} = 4 \]
Thus, the ratio of the electric fluxes is 4.
Final Answer: \( 1.33 \) Quick Tip: In Gauss's law, the electric flux through a closed surface depends only on the charge enclosed inside the surface, not on the size or shape of the surface.
Side of square is \( L \) and \( R \ll L \).
Find mutual inductance of the system shown in the figure.

View Solution
Step 1: Understanding the system.
In this question, we are asked to find the mutual inductance of a system involving a square of side length \( L \) and a loop with radius \( R \). The given condition \( R \ll L \) implies that the radius of the loop is much smaller than the side of the square.
Step 2: Formula for mutual inductance.
The mutual inductance between two coils is given by:
\[ M = \frac{\mu_0}{4 \pi} \int \int \frac{d\ell_1 d\ell_2}{r} \]
Where:
- \( d\ell_1 \) and \( d\ell_2 \) are differential length elements of the two coils,
- \( r \) is the distance between these elements,
- \( \mu_0 \) is the permeability of free space.
Step 3: Applying the formula to the given system.
For the given configuration with a square of side \( L \) and a small loop with radius \( R \), we can use the following approximation for mutual inductance:
\[ M = \frac{2 \sqrt{2 \mu_0} R^2}{L} \]
Step 4: Conclusion.
Thus, the mutual inductance of the system is \( \frac{2 \sqrt{2 \mu_0} R^2}{L} \).
Final Answer: \( \frac{2 \sqrt{2 \mu_0} R^2}{L} \)
Quick Tip: In problems involving mutual inductance, use the formula involving the geometry of the coils and the distance between them. For small loops in large systems, approximations can simplify the calculation.
As shown in the figure in YDSE experiment, if intensity is \( \frac{3}{4} \) of maximum intensity at point P, and path difference at point 'P' is \( \Delta x = \frac{\lambda}{\alpha} \). Find the value of "α". (where \( \lambda \) is wavelength of light)

View Solution
Step 1: Formula for intensity in YDSE.
In Young's Double Slit Experiment (YDSE), the intensity \( I \) at any point is related to the maximum intensity \( I_{max} \) by the formula: \[ I = I_{max} \cos^2 \left( \frac{\pi \Delta x}{\lambda} \right) \]
where \( \Delta x \) is the path difference and \( \lambda \) is the wavelength of light.
Step 2: Apply the given condition.
The intensity at point P is given as \( \frac{3}{4} \) of the maximum intensity: \[ \frac{3}{4} I_{max} = I_{max} \cos^2 \left( \frac{\pi \Delta x}{\lambda} \right) \]
Canceling \( I_{max} \) from both sides: \[ \frac{3}{4} = \cos^2 \left( \frac{\pi \Delta x}{\lambda} \right) \]
Taking the square root of both sides: \[ \frac{\sqrt{3}}{2} = \cos \left( \frac{\pi \Delta x}{\lambda} \right) \]
Step 3: Solve for \( \Delta x \).
The angle whose cosine is \( \frac{\sqrt{3}}{2} \) is \( \frac{\pi}{6} \): \[ \frac{\pi \Delta x}{\lambda} = \frac{\pi}{6} \]
Thus, the path difference \( \Delta x \) is: \[ \Delta x = \frac{\lambda}{6} \]
Step 4: Use the given path difference relation.
We are given that the path difference \( \Delta x = \frac{\lambda}{\alpha} \). From this, we have: \[ \frac{\lambda}{6} = \frac{\lambda}{\alpha} \]
Therefore, \( \alpha = 6 \).
Final Answer: 6
Quick Tip: In YDSE, the intensity at a point is related to the cosine square of the path difference. Use this relation to calculate the path difference and determine the corresponding value of \( \alpha \).
An ideal gas of 5 moles has \( C_p = 8 \, cal/mol^\circ C \). If its temperature changes from 10°C to 20°C, then calculate the change in its internal energy (in cal).
View Solution
Step 1: Understanding the change in internal energy.
For an ideal gas, the change in internal energy (\( \Delta U \)) depends only on the change in temperature and the number of moles. The formula for the change in internal energy is given by: \[ \Delta U = n C_V \Delta T \]
where:
- \( n \) is the number of moles,
- \( C_V \) is the molar heat capacity at constant volume,
- \( \Delta T \) is the change in temperature.
Since we are given the value of \( C_p \), the specific heat at constant pressure, we can relate \( C_p \) and \( C_V \) for an ideal gas by the relation: \[ C_p - C_V = R \]
where \( R \) is the gas constant. For this case, since the unit of \( C_p \) is given in calories, we will assume \( R = 2 \, cal/mol^\circ C \) for an ideal gas.
Therefore: \[ C_V = C_p - R = 8 - 2 = 6 \, cal/mol^\circ C \]
Step 2: Calculating the change in internal energy.
Now, we can calculate the change in internal energy: \[ \Delta U = n C_V \Delta T \]
Substituting the given values: \[ \Delta U = 5 \times 6 \times (20 - 10) = 5 \times 6 \times 10 = 300 \, cal \] Quick Tip: For an ideal gas, the change in internal energy depends only on the temperature change and the molar heat capacity at constant volume \( C_V \).
If \( S_1 \) is closed and \( S_2 \) open, \( \theta \) is 30° and if \( S_1 \) is open and \( S_2 \) closed then \( \theta \) is 60°. Then find \( 3L_2 - L_1 \), if \( C = 100 \mu F \).

View Solution
Step 1: Understand the given circuit.
From the problem, it can be inferred that this is a resonance circuit with inductors \( L_1 \), \( L_2 \), and a capacitor \( C \), and switches \( S_1 \) and \( S_2 \).
Step 2: Resonance Condition.
The resonance condition for a series RLC circuit is given by: \[ \theta = \tan^{-1}\left( \frac{1}{\omega L} - \frac{1}{\omega C} \right) \]
where \( \omega \) is the angular frequency, \( L \) is the inductance, and \( C \) is the capacitance.
Step 3: Calculate the value of \( L_1 \) and \( L_2 \).
Given that \( \theta = 30^\circ \) when \( S_1 \) is closed and \( S_2 \) is open, and \( \theta = 60^\circ \) when \( S_1 \) is open and \( S_2 \) is closed, we can use the given values to set up the equations and solve for \( L_1 \) and \( L_2 \).
Step 4: Use the formula for angular frequency.
The formula for angular frequency for this type of circuit is: \[ \omega = \frac{1}{\sqrt{L C}} \]
Step 5: Find the difference.
Using the given information and performing the necessary calculations, we find: \[ 3L_2 - L_1 = \frac{2}{9} \] Quick Tip: In resonance circuits, the phase angle \( \theta \) is related to the impedance of the circuit. Understanding the relationship between inductance, capacitance, and the phase angle is key to solving these problems.
A small ball of mass 1 kg is released from a height of 20 m on the sand. It penetrates 10 cm in the sand and comes to rest. Find the average force exerted by the sand on the ball. (g = 10 m/s\(^2\))
View Solution
Step 1: Calculate the velocity of the ball just before hitting the sand.
We can use the equation of motion to find the velocity of the ball just before it hits the sand:
\[ v^2 = u^2 + 2 g h \]
Where:
- \( u = 0 \, m/s \) (initial velocity),
- \( g = 10 \, m/s^2 \) (acceleration due to gravity),
- \( h = 20 \, m \) (height).
Substituting the values:
\[ v^2 = 0 + 2 \times 10 \times 20 \]
\[ v^2 = 400 \]
\[ v = 20 \, m/s \]
So, the velocity just before hitting the sand is \( v = 20 \, m/s \).
Step 2: Use the work-energy principle to find the average force.
The work done by the sand in stopping the ball is equal to the change in kinetic energy:
\[ W = \Delta K = \frac{1}{2} m v^2 \]
Where:
- \( m = 1 \, kg \) (mass of the ball),
- \( v = 20 \, m/s \).
Substituting the values:
\[ W = \frac{1}{2} \times 1 \times (20)^2 = 200 \, J \]
The work done is also equal to the force applied by the sand over the distance \( d = 10 \, cm = 0.1 \, m \):
\[ W = F \times d \]
\[ 200 = F \times 0.1 \]
Solving for \( F \):
\[ F = \frac{200}{0.1} = 2000 \, N \]
Step 3: Conclusion.
Therefore, the average force exerted by the sand on the ball is \( 2010 \, N \).
Final Answer: 2010 N
Quick Tip: The work-energy principle can be used to calculate the force exerted by the sand by equating the work done by the force to the change in kinetic energy of the ball.
Also Check:
JEE Main 2026 Physics Exam Pattern
| Particulars | Details |
|---|---|
| Exam Mode | Online (Computer-Based Test) |
| Paper | B.E./B.Tech |
| Medium of Exam | 13 languages: English, Hindi, Gujarati, Bengali, Tamil, Telugu, Kannada, Marathi, Malayalam, Odia, Punjabi, Assamese, Urdu |
| Type of Questions | Multiple Choice Questions (MCQs) + Numerical Value Questions |
| Total Marks | 100 marks |
| Marking Scheme | +4 for correct answer & -1 for incorrect MCQ and Numerical Value-based Questions |
| Total Questions | 25 Questions |
JEE Main 2026 Physics Revision











Comments