UP Board Class 12 Physics Question Paper 2023 with Answer Key (March 1, Code 346 BW)

Shivam Yadav's profile photo

Shivam Yadav

Updated on - Nov 24, 2025

UP Board Class 12 Physics Question Paper 2023 with Answer Key Code 346 BW is available for download. The exam was conducted by the Uttar Pradesh Madhyamik Shiksha Parishad (UPMSP) on March 1, 2023 in Afternoon Session 2 PM to 5:15 PM. The medium of paper was English and Hindi. In terms of difficulty level, UP Board Class 12 Physics paper was Easy. The question paper comprised a total of 9 questions.

UP Board Class 12 Physics (Code 346 BW) Question Paper 2023 with Answer Key (March 1)

UP Board Class 12 Physics (Code 346 BW) Question Paper with Solutions PDF Download PDF Check Solutions

UP Board Class 12 Physics (Code 346 BW) Question Paper 2023 with Answer Key (March 1)

 

Question 1:

(a) An electron, which has charge \( e \) and mass \( m \), is moving in a uniform electric field \( E \). Its acceleration is:

  • (i) \( \frac{E}{m} \)
  • (ii) \( \frac{Ee}{m} \)
  • (iii) \( \frac{m}{Ee} \)
  • (iv) \( \frac{e}{m} \)

Question 2:

(b) Equivalent resistance of three identical resistors in series is \( R_1 \) and in parallel it is \( R_2 \). If \( R_1 = nR_2 \), then the minimum possible value of \( n \) is:

  • (i) \( \frac{1}{9} \)
  • (ii) \( \frac{1}{3} \)
  • (iii) 3
  • (iv) 9

Question 3:

(c) The radius of the circular path of a charged particle in a uniform magnetic field is directly proportional to the:

  • (i) charge of the particle
  • (ii) momentum of the particle
  • (iii) intensity of the magnetic field
  • (iv) energy of the particle

Question 4:

In order to obtain an output, Y = 1, from the given combination of gates:

  • (i) A = 1, B = 0, C = 0
  • (ii) A = 0, B = 1, C = 0
  • (iii) A = 1, B = 0, C = 1
  • (iv) A = 1, B = 1, C = 0

Question 5:

In the given nuclear reaction, X is:
\[ ^7_1N + ^1_0n \longrightarrow ^6_1C + X \]

  • (i) proton
  • (ii) \( \alpha \)-particle
  • (iii) electron
  • (iv) deuteron

Question 6:

A plane electromagnetic wave represented as \( E = 100 \cos (6 \times 10^8 t + 4x) \, V/m \), is propagated through a medium of refractive index:

  • (i) 1.5
  • (ii) 2.0
  • (iii) 2.4
  • (iv) 4.0

Question 7:

The capacitance of a charged capacitor is \( C \) farad and stored energy is \( U \) joule. Write the expression for charge on the plates of the capacitor.


Question 8:

What is the photoelectric effect?


Question 9:

Write down the majority and minority charge carriers in n-type of semiconductor.


Question 10:

What is the effect on the null deflection length on decreasing the value of potential gradient in the wire of potentiometer?


Question 11:

How is a galvanometer converted into a voltmeter?


Question 12:

What will be the angle of minimum deviation by a thin prism of 10° and refractive index 2?


Question 13:

In Young's double-slit experiment, the ratio of maximum and minimum intensity on the screen is 9:1. What should be the ratio of the width of the slits?


Question 14:

Resistance of a wire is \( 2 \, \Omega \). The radius of the wire is halved on stretching it. Find out the new resistance of the wire.


Question 15:

A proton and an \( \alpha \)-particle enter perpendicularly in a uniform magnetic field with the same velocity. Find out the ratio of their period of revolutions.


Question 16:

A point monochromatic source of light is placed at \( r \) distance from a photoelectric cell; then stopping potential is obtained as \( V \). What would be the effect on the stopping potential, when the same source is placed at \( 3r \) distance? Justify your answer.


Question 17:

Find out total electric potential energy of the system of charges, shown in the figure:


Question 18:

Obtain the formula for the resultant magnetic moment of the two concentric circular coils of radius \( r \), placed perpendicular to each other on passing the same current \( i \).


Question 19:

What are electromagnetic waves? Explain, with the help of a diagram, that these waves are transverse in nature.


Question 20:

Draw a labelled ray diagram of a compound microscope, when final image is formed at infinity. On which factors does the magnifying power of the microscope depend?


Question 21:

Energy level diagram of a certain atom is shown in the figure. The wavelength obtained in the emission transitions from level C to A is 1000 Å, and from C to B is 5000 Å. Calculate the wavelength emitted in the transition from B to A.


Question 22:

The length of wingspan of an aeroplane is \( L \) meters and it is flying with a velocity of \( v \, m/s \) from north towards south. If the horizontal component of Earth's magnetic field is \( H \, weber/m^2 \) and induced e.m.f. produced between the ends of the wingspan is \( e \, volt \), then obtain the expression for the angle of dip at that place.


Question 23:

The resistance of wire AB as shown in the figure is \( 12000 \, \Omega \) and \( 220 \, V \) of potential difference is applied across it. Resistance of voltmeter \( V \) is \( 6000 \, \Omega \). The point C is at one-fourth distance from the point A. What is the reading of the voltmeter?



Question 24:

Derive the formula for the magnetic field at a point due to a current-carrying straight long conductor with the help of Ampere’s circuital law.


Question 25:

As shown in the figure, a ray of light is incident at an angle of \( 45^\circ \) at the surface AB of the transparent slab. Find the value of the minimum refractive index \( n \) of the slab, when there is total internal reflection of the light ray at the vertical face BC.


Question 26:

Two biconcave lenses of glass (\( n_g = \frac{3}{2} \)) of radius of curvature 10 cm are placed in contact. Water (\( n_w = \frac{4}{3} \)) is filled in between the lenses. Find the power and nature of the combined lens.


Question 27:

Derive the formula for the electric field due to a uniformly charged straight wire of infinite length by using Gauss' law.


Question 28:

What is diffraction of light? Find the formula for the angular fringe width of the central maxima obtained in the diffraction pattern of monochromatic light by a single slit. Show the diagram of intensity distribution of light in the diffraction pattern.


Question 29:

Distance of the second dark fringe from the central maxima on the screen for \( 6000 \, Å \) wavelength.


Question 30:

Distance of the third bright fringe from the central maxima on the screen for \( 5000 \, Å \) wavelength.


Question 31:

The minimum distance from the central maxima at which the two wavelengths coincide for the bright fringes produced.


Question 32:

Define 1 ampere on the basis of the force acting between two parallel current-carrying conductors.


Question 33:

In the figure, currents are flowing in opposite directions in two parallel conductors. What should be the current \( I \) in the conductor X, so that the resultant magnetic field at the point P is zero? Current in the conductor Y is 10 ampere.


Question 34:

Explain the nuclear fusion process. What is its example in nature? If 4 neutrons and 3 protons are fused to form lithium \( {}_3^7 Li \) nucleus, then how much energy (in MeV) will be released?


Question 35:

Explain the working process of the amplifying action of an n-p-n transistor in common emitter configuration by making a circuit diagram and obtain the formula for voltage amplification.


Question 36:

Explain the working process of a forward biased p-n junction diode with the help of a circuit diagram. Show the dynamic resistance by making a graph between the forward voltage and forward current.


Question 37:

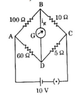
Following are the resistances of the four sides of a Wheatstone bridge:
AB = 100 \( \Omega \), BC = 10 \( \Omega \), CD = 5 \( \Omega \), DA = 60 \( \Omega \); resistance of galvanometer \( G = 15 \Omega \). Find the value of the current \( i_g \).



Question 38:

Calculate the stored charge and potential difference between the plates in steady state for both the capacitors as shown in the circuit:

0

Comments


No Comments To Show